Если вы видите это сообщение, значит, произошла проблема с загрузкой файлов в стилей (CSS) нашего сайта. Попробуйте сбросить кэш браузера (Ctrl+F5).
Если это не поможет, а вы находитесь в регионе, где возможны ограничения интернет-трафика с российских серверов - воспользуйтесь VPN.
0

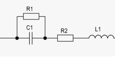
Зачем резистор припаян на конденсаторе?

CEHR [11.8K] 1 минуту назад 

Знаете ответ?
регистрация