Если вы видите это сообщение, значит, произошла проблема с загрузкой файлов в стилей (CSS) нашего сайта. Попробуйте сбросить кэш браузера (Ctrl+F5).
Если это не поможет, а вы находитесь в регионе, где возможны ограничения интернет-трафика с российских серверов - воспользуйтесь VPN.
0

Почему в холодильнике перестал работать звуковой сигнал при открытой двери, как исправить?

Ким Чен Ын [844K] 7 лет назад 

Раньше работал сигнал, сейчас даже если очень долго открыта дверь (специально открывали) холодильник не пищит вообще, почему не работает и как исправить?

1

Нужно определиться с маркой холодильника могут быть нюансы связанные с конкретной моделью.

У меня двухкамерный холодильник "Самсунг" (с системной "ноу-фрост"), на панели управления есть кнопка с зачёркнутым колокольчиком.

Этой кнопкой можно отключить звуковой сигнал, возможно Вы или выключили сигнал, или не активировали его, если речь о новом холодильнике.

Далее, звуковой сигнал не срабатывает сразу же после открытия двери холодильника должно пройти секунд 30-40.

Звуковым сигналом управляет вот такой

магнитный (герконовый) выключатель, этот же выключатель ещё и освещением управляет в холодильнике.

Возможно у Вас вышел из строя тот самый выключатель (возможно не будет света в камере холодильника при открытой двери и + появится характерный запах горелого пластика).

Ремонту он не подлежит, он меняется на новый.

Возможно причина в скачке напряжения, это могло произойти и из-за грозы.

Можно установить стабилизатор напряжения.

Или же причина в износе магнита выключателя (или его размагничивании), замыкания контактов и.т.п.

Далее, в некоторых моделях холодильников звуковой сигнал срабатывает при повышении температуры внутри холодильной, или морозильной камерах холодильника.

При открытой двери температура внутри камеры холодильника повышается срабатывает датчик температуры.

Возможно тот самый датчик вышел из строя, требуется его замена.

Чтобы избежать проблем в будущем важно учитывать следующее:

В холодильник нельзя ставить не остывшие блюда.

Холодильник не устанавливается слишком близко к радиаторам отопления.

1

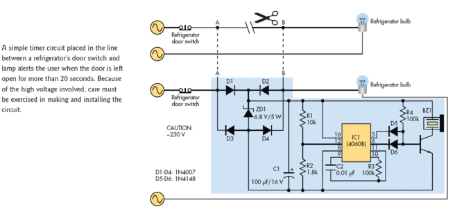
Причин отсутствия звукового сигнала может быть три как минимум. Первое это собственно выход из строя самой "пищалки", такое иногда происходит, но чаще причина кроется в потере контакта в цепи. Второй причиной может быть выход из строя устройства задержки звукового сигнала, это небольшая электронная схема.

И ещё одной причиной может быть дефект в кнопке, в ней совмещены две функции, включение освещения и запуск устройства отсчитывающего время.

Как исправить? В зависимости от возникшего дефекта надо будет подпаять оторванный провод, заменить пищалку или отремонтировать электронную плату

Знаете ответ?
регистрация