Если вы видите это сообщение, значит, произошла проблема с загрузкой файлов в стилей (CSS) нашего сайта. Попробуйте сбросить кэш браузера (Ctrl+F5).
Если это не поможет, а вы находитесь в регионе, где возможны ограничения интернет-трафика с российских серверов - воспользуйтесь VPN.
3

Какая схема электроплиты "Мечта - 6б"?

Amid [3] 6 лет назад 

Необходима электрическая схема, монтажная схема печи "Мечта - 6б" с духовкой.

7

Довольно таки не плохая плита, скажу вам. Конфорок правда всего две, но зато регулируются от 250 до 1000 Вт. Нагреваются довольно таки быстро и готовить на них просто удовольствие. И ещё один плюс, что работает эта плита от обычного напряжения в 220 Вольт. Жарочный шкаф тоже радует тем, что на ТЭНы не поскупились и поставили и вверху и внизу. Так что выпечка будет равномерно выпекаться и не подгорать, то снизу. то сверху. Теперь о электрической схеме. Она совершенно не сложная. Если знать толк в электрике, то вполне можно разобраться и самому. Но раз надо так надо. Думаю, что разберётесь и сможете отремонтировать всё, что захотите.

система выбрала этот ответ лучшим
Amid [3]
Здравствуйте!
Спасибо большое за помощь.
С наступающим праздником "Денем защитника Отечества"
  —  6 лет назад 
комментировать
1

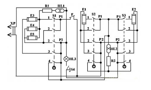
Мечта - 6б - это электроплита, состоящая из двух верхних конфорок и духовки.

Так как производитель на основе одних комплектующих выпускал разные виды плит, то и общей схемы нет, а только отдельных элементов (возможно просто поленились для каждой марки сделать свою схему).

Контактная группа ПМ-16-5-01 (переключатель мощности)- принципиальная схема:

Электрическая схема для духовки и двух конфорок, расключение проводов переключателя:

Возможно в дополнении будет не лишней иметь монтажную схему электроплиты:

Amid [3]
Здравствуйте!
Спасибо большое за помощь.
С наступающим праздником "Денем защитника Отечества"
  —  6 лет назад 
комментировать
Знаете ответ?
регистрация