Если вы видите это сообщение, значит, произошла проблема с загрузкой файлов в стилей (CSS) нашего сайта. Попробуйте сбросить кэш браузера (Ctrl+F5).
Если это не поможет, а вы находитесь в регионе, где возможны ограничения интернет-трафика с российских серверов - воспользуйтесь VPN.
1

Как рассчитать размеры тандембокса от Blum?

Алексей104 [13K] 11 лет назад 

Имеется в виду дно, задняя стенка, рейлинги

1

Расчёт расстояний ящика в зависимости от размера для установки выдвижных систем тандембокса от производителя Blum осуществляется по таблицам и формулам, где уже в зависимости от размера внутренней части рассчитывается и размер ящика.

Ящику присваивают определённые размеры по формулам:

Которые напрямую зависят от толщины используемого ДСП, для наглядности ниже приведу пример расчёта для 16 миллиметров:

Для расчёта другой толщины просто измените данные ДСП.

автор вопроса выбрал этот ответ лучшим
1

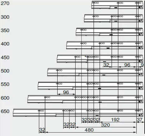
Размер задней стенки и дна ящиков определяются в зависимости от размеров короба (внутренних) согласно прилагаемой схемы

Для определения длины направляющих следует воспользоваться значениями из прилагаемой схемы

Высота задней стенки ящиков определяется с учетом размеров высоты расположения держателей, то есть значения высоты, измеренной в миллиметрах и обозначенной

– литерой N - будет равняться 69;

– литерой M – 84;

– литерой B – 135

– литерой D – 199.

У задней стенки ящиков ширина будет равняться внутренней ширине корпуса (обозначенной литерами LW), то есть 87 мм, а длина, обозначенная литерами NL будет риавняться 24 мм, если ящики из ДСП или 22 мм, если они из металла. Ширина дна ящиков должна равняться внутренней ширине корпуса LW, то есть 75 мм.

Более подробные пояснения можно найти по этому адресу. При желании можно скачать калькулятор, который сам выполнит все нужные расчеты, вот по этой ссылке. Вот как должен выглядеть готовый ящик

Знаете ответ?
регистрация