Если вы видите это сообщение, значит, произошла проблема с загрузкой файлов в стилей (CSS) нашего сайта. Попробуйте сбросить кэш браузера (Ctrl+F5).
Если это не поможет, а вы находитесь в регионе, где возможны ограничения интернет-трафика с российских серверов - воспользуйтесь VPN.
0

Где найти схему штукатурного агрегата KW?

NataBres [2K] 9 лет назад 

Предприятие супруга взяло в ареду с последующим выкупом штукатурный агрегат, но он в последнее время стал барахлить в работе. Где найти подробную схему этого оборудования для самостоятельного ремонта, агрегат уже не на гарантии и владелец предоставляет полную свободу действий.

1

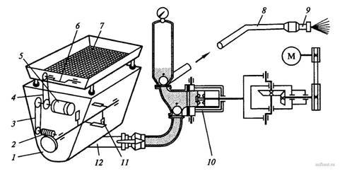
Любая модификация штукатурного агрегата выполняет задачу смешивания, подачи к месту использования и непосредственное нанесение на обрабатываемую поверхность штукатурной смеси. Как правило, конструкция разных штукатурных агрегатов состоит из двух отдельных составляющих, смонтированных отдельно и состыкованных с помощью резинотканевого рукава: растворонасоса и приемного бункера.

На прилагаемой схеме под номерами значатся следующие детали конструкции штукатурного агрегата KW:

• приемный бункер под номером 1;

• червячный редуктор под номером 2;

• клиноременная передача под номером 3;

• цепная передача под номером 4;

• электродвигатель под номером 5;

• эксцентриковый вал под номером 6;

• вибросито под номером 7;

• напорный растворовод под номером 8;

• форсунка под номером 9;

• растворонасос под номером 10;

• побудитель под номером 11;

• всасывающий рукав под номером 12.

модератор выбрал этот ответ лучшим
2

Прежде всего надо определенно знать где случилась поломка иначе ничего путнего не выйдет придется разбирать всю станцию.

Если характеристики такие:

то непременно нужно знать тип загружаемого сырья. И только тогда можно приступать к ремонту станции. В начале нужно определить как продвигается штукатурная масса. Не сломаны ли шлицы на шестернях и как работает двигатель. Потом тщательно прочистить все основные узлы подающего раствор а так же прочистить шланги подачи возможно попал мусор.

  • Главное это правильно соблюдать способы приготовления смеси.

Схему нужной ВАМ станции ВЫ сможете посмотреть на сайте компании " Spraymix".

Или запросить по адресу: Компания OÜ "Spraymix"

Знаете ответ?
регистрация