Если вы видите это сообщение, значит, произошла проблема с загрузкой файлов в стилей (CSS) нашего сайта. Попробуйте сбросить кэш браузера (Ctrl+F5).
Если это не поможет, а вы находитесь в регионе, где возможны ограничения интернет-трафика с российских серверов - воспользуйтесь VPN.
3

Как подключить проточный водонагреватель в электрическом щитке с тремя автоматами?

kusttt [53] 3 года назад 

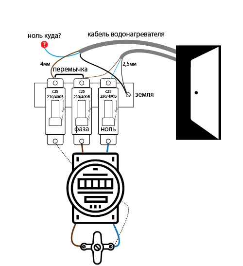
Здравствуйте, уважаемые специалисты. Собираюсь подключить проточный водонагреватель. На щитке три автомата. Второй и третий - фаза и ноль. Первый - для меня загадка. К нему идет (пунктиром указан на рисунке) провод, и от вкл/откл. автомата ничего не меняется. Мне, наверное, нужно поставить перемычку от фазы к этому "пустому" автомату (нарисовал перемычку черным вверху), а вот куда ноль девать, я так и не придумал (сечение разное, в третий автомат с 2,5мм нельзя).

1

Что-то тут нарисовано, как то неверно, или вы ошиблись, когда рисовали, или подключено не правильно.

Согласно 1.7.145. ПУЭ по однополюсным автоматам нельзя пропускать отдельно "ноль". Можно только двухполюсные автоматы использовать.

Так что ваш синий провод от счётчика должен на шину идти или разрывать фазу+ноль двухполюсным автоматом. Так что выкидываете третий автомат и вместо него шину ставите, это что побыстрее и дешевле, но лучше автомат двухполюсный, смотри на фото, третий слева.

Кстати, вот вам слева однополюсной автомат - там только фаза проходит.

Далее, ваша земля, надо бы её проверить, земля там вообще или нет, на рисунке не видно, чтобы туда что-то приходило.

Далее вообще всё плохо - Коричневый провод (фаза) идёт на второй автомат, который соединяется перемычкой с первым автоматом, который подключен к нулю. Вообще бред какой-то, скорее всего внутри всё давно выгорело, иначе будет короткое...

Короче всё переделывать надо!

Вот примерно так, но лучше самому не делать, вызывайте электрика.

Будет тогда один автомат на фазе, но нужно будет ещё до счётчика или после него ставить двухполюсной автомат, так сказать на общий разрыв цепи.

Короче говоря всё переделывать!

Как то так

Но надо знать специфику вашей проводки, нагрузку всех приборов и много чего ещё, чтобы правильно подключить.

Также я бы посоветовал подключать водонагреватель через УЗИ.

модератор выбрал этот ответ лучшим
1

Насколько я понял, проблема в подключении у вас возникла на фоне разного сечения проводников. Та самом деле это все легко реализовать. Достаточно применить наконечник на 6 кв.мм. Объединяете проводники в одном наконечнике и опрессовуете. Контакт греться не будет и клемма автомата сможет качественно зажать данный наконечник.

наконечники

Дополнительно...

В таком случае, вам потребуется нулевая шина. На нее подводите основной нулевой проводник. А потребителей распределяете по разным отверстиям.

нулевая шина

kusttt [53]
Шина решает вопрос "сиротского" кабеля. Гляну в эту сторону. Только не пойму, шина тоже через автомат подключается или не обязательно? К шине 1 кабель (собственно, нулевой) идет, так?  —  3 года назад 
Vladimir [3.7K]
Совершенно верно. После автомата, провод подключается к шине. А к ней уже нагрузка.  —  3 года назад 
kusttt [53]
Владимир, еще подскажите, перемычку НА ВХОДЕ от автомата с фазой к "пустому" автомату, чтобы его запитать, ставить можно?  —  3 года назад 
Vladimir [3.7K]
Перемычку нужно поставить на входе автоматов (после счетчика). Тогда оба автомата будет возможно нагружать отдельными нагрузками.  —  3 года назад 
комментировать
Знаете ответ?
регистрация