Если вы видите это сообщение, значит, произошла проблема с загрузкой файлов в стилей (CSS) нашего сайта. Попробуйте сбросить кэш браузера (Ctrl+F5).
Если это не поможет, а вы находитесь в регионе, где возможны ограничения интернет-трафика с российских серверов - воспользуйтесь VPN.
2

Можно ли сделать вентиляцию для газ колонки под окном? Посоветуйте пожалуйста?

Gaia [84] 4 года назад 

Доброго времени суток! Хотим поставить газовую колонку на кухне. По требованиям нужна доп вентиляция, вопрос: можно ли поставить вент канал под окном? Допускается ли такое размещение? Посоветуйте пожалуйста?

2
  1. Если Вы хотите установить газовую колонку то:
  2. у вас должен быть дымоход -практически это тот же вентиляционный канал, но с более высокими требованиями по герметизации. У частного владения - отдельно стоящего дома, возможен выход дымохода через наружное заграждение (через стену) наружу, с определенными допусками и расстояниями. Но все же дымоход лучше делать вертикальным и выводить через перекрытие/чердак/кр­овлю.
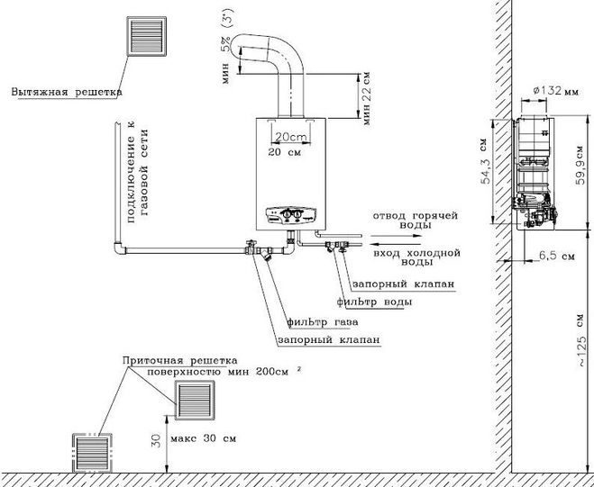
  3. Кроме дымохода необходим вентиляционный канал, как у всех, на кухне в верней зоне кухни, если природный газ используется в колонке, что обычно. При использовании СУГ (сжиженные углеводородные газы) газовые колонки не используют - дорого.
  4. И третий обязательный момент, это система приточной вентиляции. Вот эту систему возможно проложить под подоконником.

автор вопроса выбрал этот ответ лучшим
1

Колонка, это народное называние проточного газового водонагревателя.

Газ взрывоопасен и соответственно газовая колонка относится к бытовым приборам повышенной опасности.

По этой причине установку газовой колонки имеют право производить только специалисты с лицензией на этот вид деятельности и мы для установки колонки получали разрешение (без этого установка запрещена).

Далее, есть целый ряд требований к помещению с газовыми колонками, это и размеры помещения, объем, требования касающиеся вентиляции.

Газовые колонки могут быть как с закрытой камерой сгорания, так и с открытой.

Если у Вас газовая колонка с открытой камерой сгорания, то "забор" воздуха осуществляется из помещения где установлена газовая колонка.

Вентиляции в таком помещении нужно уделить повышенное внимание, помимо прочего должна быть и приточная вентиляция (это кроме вытяжной).

Вентиляционные каналы к которым подключена колонка должны быть герметичными.

Газовые колонки с закрытой камерой сгорания оснащаются специальными коаксиальными дымоходами, он одновременно и выводит продукты сгорания наружу и он же позволяет наружному воздуху (свежему) поступать в камеру сгорания колонки.

Если проще, то это труба в трубе (трубы имеют разный диаметр), и далее такой дымоход выводится через стену на улицу.

Другими словами, газовые колонки разного типа требуют установки разных дымоходов.

Далее, под окном обычно устанавливают радиаторы отопления, так как тепло-потери через окно самые значительные в помещении.

Если у Вас есть место между нижней части подоконника и радиатором отопления, то в принципе можно установить вот такой клапан (стеновой) приточной вентиляции и под окном.

Это относится к общей системе вентиляции всего помещения и дело тут не только в газовой колонке.

И ещё, обязательно обратите внимание на зазор между дверным полотном и полом, этот зазор так же относится к системе вентиляции помещения.

Газовую колонку категорически (дымоход) нельзя подключать в один канал с вытяжкой над газовой плитой (угореть можно).

Размер (площадь) помещения где будет устанавливаться колонка не должен быть меньше 7,5 квадратов, высота потолков не ниже 2 метров и.т.д, учитывайте и это.

Знаете ответ?
Смотрите также:
Как подключить проточный водонагреватель в электрическом щитке с тремя автоматами? Можно ли проточный водонагреватель 3,5 кВт, подключать в обычную розетку? Какого сечения нужен провод, для подключения проточного водонагревателя? Нужно заменить газовый шланг (плита), газовый кран полностью не перекрывает подачу газа, что делать? Почему не совпадают данные электронного и механического газового счетчика? Каким шлангом можно подключить газовую варочную панель, можно ли это сделать самостоятельно? Справится ли проточный нагреватель с нагревом очень ледяной воды из колодца? Проточный водонагреватель удобен для мытья посуды в частном доме или бойлер лучше? Почему проточный водонагреватель летом нагревал воду, а зимой нет? Как обезопасить ванную комнату при установке трёхфазного проточного водонагревателя?
регистрация